100A магнитный реле с защелкой для интеллектуального счетчика
Реле с защелкой IVY Metering IM1002 100A соответствует стандартам IEC62055-31 UC3 и идеально подходит для интеллектуальных счетчиков, зарядных станций и промышленных приложений. Реле обеспечивает однокатушечную защелку (1,5 Вт) или двухкатушечную защелку (3,0 Вт) с напряжением катушки от 6 В до 48 В постоянного тока. Бистабильное реле IM1002 переключается до 100 А 277 В переменного тока (резистивная нагрузка).
Заказ информации

Особенности продукта
100A 250VAC контактная коммутационная способность
Только импульсное управление, как для одинарной, так и для двойной катушки.
Низкое энергопотребление, небольшой размер
Сборки по индивидуальному заказу (CT/шунт/терминал)
4KV диэлектрическая прочность между катушкой и контактами
Соответствует RoHS
Соответствует IEC62055-31 UC2/UC3
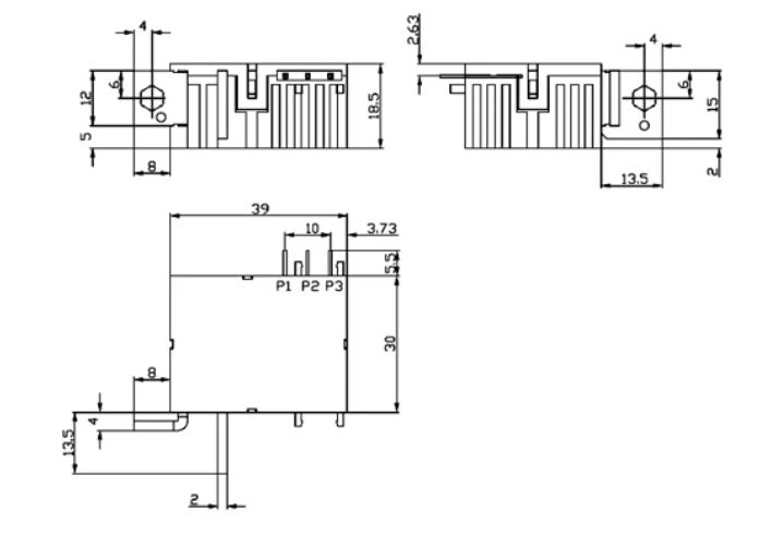
Габаритные размеры: (39x 30 x18.5) мм
Обзор продукции Porduct
Компания IVY Metering специализируется на разработке и производстве высококачественных реле с блокировкой. Мы предлагаем линейку реле с блокировкой от 60 А до 200 А для однофазных, двухфазных и трехфазных коммутационных целей. Наши реле соответствуют самым высоким стандартам производительности в отрасли и предлагают наилучшую ценность на рынке управления энергопотреблением. В частности, мы разработали инновационное реле с блокировкой выключателя двигателя.

Технические параметры
Rated Load | 100A 250VAC |
Contact Form | 1A/B |
Contact Material | AgSnO2 |
Max. Switching Voltage | 277VAC |
Max. Switching Current | 100A |
Max. Switching Power | 27700VA |
Contact Resistance | <2mΩ |
Pick-up Time | 20ms |
Release Time | 20ms |
Electrical Endurance | 5000 Cycles |
Mechanical Endurance | 100000 Cycles |
Temp.Rise | ≤55K When Ambient 40℃ |
IM1002 Измерение продукта

Области применения
Счетчик электроэнергии с предоплатой
Система автоматического регулирования электроэнергии (AMR)
Комплексный выключатель
Система автоматического управления
Форма обратной связи