100A 12 В однофазное бистабильное реле с фиксацией для электросчетчика
Производитель и поставщик реле для российского рынка
IM-M1202 реле с фиксацией— это однофазное реле с фиксацией, приводимое в действие двигателем, с нагрузочной способностью 100А 250VAC. По сравнению с аналогичными реле с фиксацией на 100 А, IM-M1202 имеет устойчивость к постоянному магниту 500 мТл, что предотвращает нарушение контактов магнитными полями. Кроме того, его размер меньше.
Заказ информации

Особенности продукта
IM-M1202: 100A реле с защелкой, встроенное в небольшой двигатель
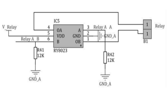
Форма контакта: 1A/B
Макс. ток переключения: 100A
Постоянная магнитная устойчивость до 500 мТл
Потребляемая мощность: 3 Вт (80 мс)
Компактная конструкция с размерами: 29*23,5*16 мм
Сертифицировано IEC62055-31 UC3 с патентом на внешний вид
Обзор продукции Porduct
Соответствует требованиям электросети по антимагнитному полю и электромагнитным помехам.
Сверхбольшая коммутационная мощность, компактный корпус
Сильная ударопрочность и вибростойкость.
Постоянная магнитная сила, стабильность, низкое энергопотребление
Низкое контактное сопротивление, низкое собственное энергопотребление, надежная работа
Могут быть предоставлены индивидуальные компоненты, включая гибкий провод и/или медную полосу, и/или шунт CТ
Сертификация IEC62055-31 UC3, патент на внешний вид

Технические параметры
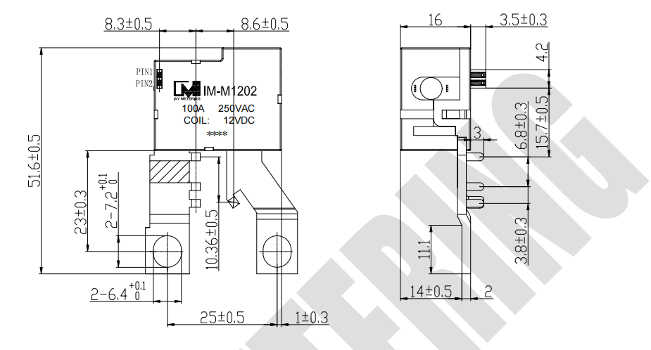
Basic Data | Dimension (mm) | 29*23.5*16 | |
Weight | ≈40g | ||
Contact Form | 1A/1B | ||
Contact Material | AgSnO2 | ||
Ambient Temperature | -40~+75℃ | ||
Vibration | 1.0mm(DA),10 to 55Hz | ||
Shock | 1000m/s²,(100G) | ||
Power Consumption | <3W | ||
Operating Voltage | 10.5-16V | ||
Max. Switching Current | 100A | ||
Surge Immunity | 6000A/10ms | ||
Motor Resistance | 32(1±15%)Ω | ||
Contact Voltage | <60mV | ||
Contact Resistance | ≦1.0mΩ | ||
Dielectric Strength | Micro-motor to contact | >4000VAC,50/60Hz,1 Min | |
Across open contact | >2000VAC,50/60Hz,1 Min | ||
Electrical Endurance(120 cycles/H) | >10,000 Cycles · (resistance 5 k + perceptual 5 k, co ϕ = 0.5) | ||
Mechanical Endurance(3600 cycles/H) | >100,000 Cycles | ||
Pulse Time | ≥60ms(Advise 60ms~100ms) | ||
Pick-up Time | ≤60ms | ||
Release Time | ≤60ms | ||
Insulation Resistance | >1000MΩ(500VDC) | ||
Размер продукта

Области применения

Форма обратной связи